MELSEC iQ-F SeriesFX5U-80MT/DSS Specifications

Performance specifications
| Control system | ||
| Input/output control system | ||
| No. of input/output points | (1) No. of input/output points | |
| (2) No. of remote I/O points | ||
| Total No. of points of (1) and (2) | ||
| Programming specifications | Programming language | |
| Programming extension function | ||
| Constant scan | ||
| Fixed cycle interrupt | ||
| Timer performance specifications | ||
| No. of program executions | ||
| No. of FB files | ||
| Operation specifications | Execution type | |
| Interrupt type | ||
| Command processing time | LD X0 | |
| MOV D0 D1 | ||
| Memory capacity | Program capacity | |
| SD memory card | ||
| Device/label memory | ||
| Data memory/standard ROM | ||
| Flash memory (Flash ROM) write count | ||
| File storage capacity | Device/label memory | |
| Data memory | P: No. of program files | |
| FB: No. of FB files | ||
| SD memory card | 2 Gbytes | |
| 4 Gbytes, 8 Gbytes, 16 Gbytes | ||
| Clock function | Display data | |
| Precision | ||
| Power failure retention (clock data) | Retention method | |
| Retention time | ||
| Power failure retention (device) | Power failure retention capacity | |
| Number of device points | ||
| No. of user device points | Input relay (X) | Octal |
| Output relay (Y) | Octal | |
| Internal relay (M) | Decimal | |
| Latch relay (L) | Decimal | |
| Link relay (B) | Hexadecimal | |
| Annunciator (F) | Decimal | |
| Link special relay (SB) | Hexadecimal | |
| Step relay (S) | Decimal | |
| Timer system (Timer (T)) | Decimal | |
| Accumulation timer system (Accumulation timer (ST)) | Decimal | |
| Counter system (Counter (C)) | Decimal | |
| Counter system (Long counter (LC)) | Decimal | |
| Data register (D) | Decimal | |
| Link register (W) | Hexadecimal | |
| Link special register (SW) | Hexadecimal | |
| No. of system device points | Special relay (SM) | Decimal |
| Special register (SD) | Decimal | |
| Module access device | Intelligent function module device | Decimal |
| No. of index register points | Index register (Z) | Decimal |
| Long index register (LZ) | Decimal | |
| No. of file register points | File register (R) | Decimal |
| Extended file register (ER) | Decimal | |
| No. of nesting points | Nesting (N) | Decimal |
| No. of pointer points | Pointer (P) | Decimal |
| Interrupt pointer (I) | Decimal | |
| Others | Decimal constant (K) | Signed |
| Unsigned | ||
| Hexadecimal constant (H) | ||
| Real constant (E) | Single precision | |
| Character string | ||
| Power supply specifications | ||
| Rated voltage | ||
| Voltage fluctuation range | ||
| Frequency rating | ||
| Allowable instantaneous power failure time | ||
| Power fuse | ||
| Rush current | ||
| Power consumption | ||
| 24 V DC built-in power supply capacity | ||
| 5 V DC built-in power supply capacity | ||
| Input specifications | ||
| No. of input points | ||
| Input connection type | ||
| Input type | ||
| Input signal voltage | ||
| Input signal current | X0 to X17 | |
| X20 and subsequent | ||
| Input impedance | X0 to X17 | |
| X20 and subsequent | ||
| ON input sensitivity current | X0 to X17 | |
| X20 and subsequent | ||
| OFF input sensitivity current | ||
| Input response frequency | X0 to X7 | |
| X10 to X17 | ||
| X20 and subsequent | ||
| Pulse waveform | ||
| X0 to X7 | ||
| X10 to X17 | ||
| Input response time (H/W filter delay) | X0 to X7 | |
| X10 to X17 | ||
| X20 and subsequent | ||
| Input response time (Digital filter setting value) | ||
| Input signal format (Input sensor form) | ||
| Input circuit insulation | ||
| Indication of input operation | ||
| Input circuit configuration | ||
| Output specifications | ||
| No. of output points | ||
| Output connection type | ||
| Output type | ||
| External power supply | ||
| Max. load | ||
| Open circuit leakage current | ||
| Voltage drop when ON | Y0 to Y3 | |
| Y4 and subsequent | ||
| Response time | Y0 to Y3 | |
| Y4 and subsequent | ||
| Output circuit insulation | ||
| Indication of output operation | ||
| Output circuit configuration | ||
Stored-program repetitive operation |
Refresh system (Direct access input/output allowed by specification of direct access input/output [DX, DY]) |
256 points or less/384 points or less* *Supported with CPU module firmware version 1.100 and later. In addition, GX Works3 version 1.047Z and later is required. |
384 points or less/512 points or less* *Supported with CPU module firmware version 1.100 and later. In addition, GX Works3 version 1.047Z and later is required. |
512 points or less |
Ladder diagram (LD), structured text (ST), function block diagram/ladder diagram (FBD/LD), sequential function chart (SFC)* *For supported versions, refer to MELSEC iQ-F FX5 User's Manual (Application). |
Function block (FB), function (FUN), label programming (local/global) |
0.2 to 2000 ms (can be set in 0.1 ms increments) |
1 to 60000 ms (can be set in 1 ms increments) |
100 ms, 10 ms, 1 ms |
32 |
16 (Up to 15 for user) |
Standby type, initial execution type, scan execution type, fixed scan execution type, event execution type |
Internal timer interrupt, input interruption, high-speed comparison match interrupt, interrupt by modules* *Interrupt from the intelligent function module and high-speed pulse input/output module. |
34 ns* *When the program capacity is 64 k steps. |
34 ns* *When the program capacity is 64 k steps. |
64 k steps/128 k steps* (128 kbytes/256 kbytes, flash memory) *Supported with CPU module firmware version 1.100 or later. In addition, GX Works3 version 1.047Z or later is required. |
Memory card capacity (SD/SDHC memory card: Max. 16 Gbytes) |
120 kbytes |
5 Mbytes |
Maximum 20000 times |
1 |
32 |
16 |
511 The number of files stored in the root folder. |
65534 The number of files stored in the root folder. |
Year, month, day, hour, minute, second, day of week (leap year automatic detection) |
Differences per month ±45 sec./25℃ (TYP) |
Large-capacity capacitor Clock data is retained using the power accumulated in a large-capacity capacitor incorporated into the PLC. When voltage of the large-capacity capacitor drops, clock data is no longer accurately retained. The retention period of a fully charged capacitor (electricity is conducted across the PLC for at least 30 minutes) is 10 days (ambient temperature: 25℃). How long the capacitor can hold the data depends on the operating ambient temperature. When the operating ambient temperature is high, the holding period is short. |
10 days (Ambient temperature: 25℃) |
Maximum 12 k word It is possible to back up all devices in device (high-speed) area. When a battery is used, it is also possible to back up devices in device (standard) area. |
1024 points The total number of X and Y assigned to I/O points is up to 256 points/384 points* *Supported with CPU module firmware version 1.100 or later. In addition, GX Works3 version 1.047Z or later is required. |
1024 points The total number of X and Y assigned to I/O points is up to 256 points/384 points* *Supported with CPU module firmware version 1.100 or later. In addition, GX Works3 version 1.047Z or later is required. |
32768 points (can be changed with parameter) Can be changed with parameters within the capacity range of the CPU built-in memory. |
32768 points (can be changed with parameter) Can be changed with parameters within the capacity range of the CPU built-in memory. |
32768 points (can be changed with parameter) Can be changed with parameters within the capacity range of the CPU built-in memory. |
32768 points (can be changed with parameter) Can be changed with parameters within the capacity range of the CPU built-in memory. |
32768 points (can be changed with parameter) Can be changed with parameters within the capacity range of the CPU built-in memory. |
4096 points (fixed) |
1024 points (can be changed with parameter) Can be changed with parameters within the capacity range of the CPU built-in memory. |
1024 points (can be changed with parameter) Can be changed with parameters within the capacity range of the CPU built-in memory. |
1024 points (can be changed with parameter) Can be changed with parameters within the capacity range of the CPU built-in memory. |
1024 points (can be changed with parameter) Can be changed with parameters within the capacity range of the CPU built-in memory. |
8000 points (can be changed with parameter) Can be changed with parameters within the capacity range of the CPU built-in memory. |
32768 points (can be changed with parameter) Can be changed with parameters within the capacity range of the CPU built-in memory. |
32768 points (can be changed with parameter) Can be changed with parameters within the capacity range of the CPU built-in memory. |
10000 points (fixed) |
12000 points (fixed) |
65536 points (designated by U□\G□) |
24 points The sum of index register (Z) and long index register (LZ) is 24 words. |
12 points The sum of index register (Z) and long index register (LZ) is 24 words. |
32768 points (can be changed with parameter) Can be changed with parameters within the capacity range of the CPU built-in memory. |
32768 points (are stored in SD memory card) |
15 points (fixed) |
4096 points |
178 points (fixed) |
16 bits: -32768 to +32767 32 bits: -2147483648 to +2147483647 |
16 bits: 0 to 65535 32 bits: 0 to 4294967295 |
16 bits: 0 to FFFF 32 bits: 0 to FFFFFFFF |
E-3.40282347+38 to E-1.17549435-38, 0, E1.17549435-38 to E3.40282347+38 |
Shift-JIS code max. 255 single-byte characters (256 including NULL) |
24 V DC |
-30%, +20% |
- |
Operation can be continued upon occurrence of instantaneous power failure for 5 ms or less. |
250 V, 5 A Time-lag fuse |
65 A max. 2.0 ms or less/24 V DC |
45 W Maximum consumption value when using the maximum configuration connectable to the CPU module. |
770 mA (560 mA) The value in () is capacity of power supply when the supply voltage is 16.8-19.2 V DC. |
1100 mA (975 mA) The value in () is capacity of power supply when the supply voltage is 16.8-19.2 V DC. |
40 points |
Removable terminal block (M3 screws) |
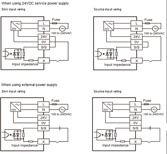
Sink/source |
24 V DC +20%, -15% |
5.3 mA/24 V DC |
4.0 mA/24 V DC |
4.3 kΩ |
5.6 kΩ |
3.5 mA or more |
3.0 mA or more |
1.5 mA or less |
200 kHz When capturing pulses of a response frequency of 50 to 200 kHz, refer to MELSEC iQ-F FX5S/FX5UJ/FX5U/FX5UC User's Manual (Hardware). |
10 kHz |
0.1±0.05 kHz |
T1 (pulse width): 2.5 μs or more T2 (rise/fall time): 1.25 μs or less |
T1 (pulse width): 50 μs or more T2 (rise/fall time): 25 μs or less |
ON: 2.5 μs or less OFF: 2.5 μs or less |
ON: 30 μs or less OFF: 50 μs or less |
ON: 50 μs or less OFF: 150 μs or less |
None, 10 μs, 50 μs, 0.1 ms, 0.2 ms, 0.4 ms, 0.6 ms, 1 ms, 5 ms, 10 ms (initial values), 20 ms, 70 ms When using this product in an environment with much noise, set the digital filter. |
No-voltage contact input Sink: NPN open collector transistor Source: PNP open collector transistor |
Photo-coupler insulation |
LED is lit when input is on |
40 points |
Removable terminal block (M3 screws) |
Transistor/source output |
5-30 V DC |
0.5 A/point The total load current per common terminal should be the following value. 4 output points/common terminal: 0.8 A or less 8 output points/common terminal: 1.6 A or less |
0.1 mA or less/30 V DC |
1.0 V or less |
1.5 V or less |
2.5 μs or less/10 mA or more (5-24 V DC) |
0.2 ms or less/200 mA or more (24 V DC) |
Photo-coupler insulation |
LED is lit when output is on |
Function specifications
| Firmware update function | |
| Scan monitoring function (Watchdog timer setting) | |
| Clock function | |
| Online change | Online ladder block change |
| Interrupt function | Multiple interrupt function |
| PID control function | |
| Constant scan | |
| Remote operation | Remote RUN/STOP |
| Remote PAUSE | |
| Remote RESET | |
| Device/label memory area setting | |
| Program capacity setting | |
| Internal buffer capacity setting | |
| Initial device value setting | |
| Latch function | |
| Memory card function | SD memory card forced stop |
| Boot operation | |
| Device/label access service processing setting | |
| Data logging function | |
| Memory dump function | |
| Real-time monitor function | |
| RAS function | Self-diagnostics function |
| Error clear | |
| Event history function | |
| Data backup/restoration function | |
| Security function | |
| IP filter function | |
| High-speed input/output function | High-speed counter function |
| Pulse width measurement function | |
| Input interrupt function | |
| Positioning function | |
| PWM output function | |
| Built-in analog function | Analog input function |
| Analog output function | |
| Built-in Ethernet function | |
| CC-Link IE Field Network Basic function | |
| Serial communication function | |
| MODBUS communication function | |
This function updates the module's firmware using an SD memory card. |
Detects an error in the hardware and program of the CPU module by monitoring the scan time. |
This function is used for the time management in the function which the system operates such as the date of the event history function, and data logging function. |
Writes the part of a program edited on the ladder editor using the engineering tool to the CPU module in units of ladder blocks. Edited contents spanning multiple portions can be written to the CPU module at once. |
When an interrupt occurs while an interrupt program triggered by another cause is running, stops the program if its priority is lower than that of the new interrupt, and runs the higher-priority program whenever its execution condition is satisfied. |
Performs PID control by the PID control instruction. |
Keeps the scan time constant and executes program repeatedly. |
Changes the CPU module status to the RUN/STOP/PAUSE status externally while the RUN/STOP/RESET switch of the CPU module is in RUN status. |
Changes the CPU module status to the RUN/STOP/PAUSE status externally while the RUN/STOP/RESET switch of the CPU module is in RUN status. |
Resets the CPU module externally while the CPU module is in the STOP status. |
Sets the capacity of each area in the device/label memory. |
Set to change program capacity. |
Sets the capacity of the area (internal buffer) used by the system to temporarily store the results of data logging and memory dump processing. |
Sets the initial values of devices used in the program directly (not via the program) to the devices. |
Holds the contents of the device and label of the CPU module when the power is turned ON etc. |
Makes the SD memory card unavailable without turning OFF the power even when the function accessing the SD memory card is executed. |
Transfers the file stored in the SD memory card to the transfer destination memory judged automatically by the CPU module when the power is turned ON or is reset. |
Sets the number of execution times of the device/label access service processing executed by END processing, with parameter. |
Collects data at the specified interval or any desired timing, and stores them as a file on the SD memory card. |
Saves the data in the devices of the CPU module at a desired timing. |
Monitors the data in the specified device of the CPU module at a specified interval or at a desired timing in real time. |
Self-diagnoses the CPU module to see whether an error exist or not. |
Batch-clears all the continuation errors being detected. |
Collects operations executed and errors detected from the modules, and saves them in the CPU module, expansion board, expansion adapter, and intelligent module. The saved logs can be checked in chronological order. |
Backs up program files, parameter files, and device/label data files in a CPU module to an SD memory card. The backup data can be restored as needed. |
Protects resources stored in PCs and resources in the units in the system of the FX5 from illegal access by a third party such as theft, alteration, accidental operation and unauthorized execution. |
Identifies the IP address of external devices over Ethernet, and blocks access from an invalid IP address. |
Performs high-speed counter, pulse width measurement, input interruption, etc. by using the input of the CPU module or high-speed pulse input/output module. |
Performs high-speed counter, pulse width measurement, input interruption, etc. by using the input of the CPU module or high-speed pulse input/output module. |
Performs high-speed counter, pulse width measurement, input interruption, etc. by using the input of the CPU module or high-speed pulse input/output module. |
Executes positioning operation by using the transistor output of the CPU module or high-speed pulse input/output module. |
Executes a PWM output by using the transistor output of the CPU module or high-speed pulse input/output module. |
Two analog inputs are built in the FX5U CPU module so that voltage input can be performed. |
One analog output are built in the FX5U CPU module so that voltage output can be performed. |
An Ethernet related function such as connection to MELSOFT products and GOTs, socket communication, file transfer using FTP, Web server (HTTP), SNTP client, and simple CPU communication function. |
This function exchanges data between the master station and remote station using general-purpose Ethernet. |
A function related to the serial communication such as N:N Network, parallel link, MC protocol, inverter communication function and non-protocol communication. |
Connection with the products which support MODBUS RTU/TCP is available. The master and slave functions can be used. |
General specifications
| Operating ambient temperature | ||
| Storage ambient temperature | ||
| Operating ambient humidity | ||
| Storage ambient humidity | ||
| Vibration resistance | Installed on DIN rail | Frequency: 5 to 8.4 Hz |
| Frequency: 8.4 to 150 Hz | ||
| Direct installing | Frequency: 5 to 8.4 Hz | |
| Frequency: 8.4 to 150 Hz | ||
| Shock resistance | ||
| Noise durability | ||
| Dielectric withstand voltage | Between power supply terminal (DC power supply) and ground terminal | |
| Between input terminal (24 V DC) and ground terminal | ||
| Between output terminal (transistor) and ground terminal | ||
| Insulation resistance | Between power supply terminal (DC power supply) and ground terminal | |
| Between input terminal (24 V DC) and ground terminal | ||
| Between output terminal (transistor) and ground terminal | ||
| Grounding | ||
| Working atmosphere | ||
| Operating altitude | ||
| Installation location | ||
| Overvoltage category | ||
| Pollution degree | ||
-20 to 55℃, non-freezing The simultaneous ON ratio of available PLC inputs or outputs changes with respect to the ambient temperature, refer to MELSEC iQ-F FX5S/FX5UJ/FX5U/FX5UC User's Manual (Hardware). The operating ambient temperature is 0 to 55℃ for products manufactured before June 2016. For details on Intelligent function modules, refer to manuals of each product. In the case where operating ambient temperature is lower than 0℃, the specifications are different from the above description. For details, refer to MELSEC iQ-F FX5S/FX5UJ/FX5U/FX5UC User's Manual (Hardware). |
-25 to 75℃, non-freezing |
5 to 95%RH, non-condensation When used in a low-temperature environment, use in an environment with no sudden temperature changes. If there are sudden temperature changes because of opening/closing of the control panel or other reasons, condensation may occur, which may cause a fire, fault, or malfunction. Furthermore, use an air conditioner in dehumidifier mode to prevent condensation. |
5 to 95%RH, non-condensation |
Half amplitude: 1.75 mm 10 times each in X, Y, Z directions (80 min in each direction) The criterion is shown in IEC61131-2. When the system has equipment which specification values are lower than above mentioned vibration resistance specification values, the vibration resistance specification of the whole system is corresponding to the lower specification. |
Acceleration: 4.9 m/s2 10 times each in X, Y, Z directions (80 min in each direction) The criterion is shown in IEC61131-2. When the system has equipment which specification values are lower than above mentioned vibration resistance specification values, the vibration resistance specification of the whole system is corresponding to the lower specification. |
Half amplitude: 3.5 mm 10 times each in X, Y, Z directions (80 min in each direction) The criterion is shown in IEC61131-2. When the system has equipment which specification values are lower than above mentioned vibration resistance specification values, the vibration resistance specification of the whole system is corresponding to the lower specification. |
Acceleration: 9.8 m/s2 10 times each in X, Y, Z directions (80 min in each direction) The criterion is shown in IEC61131-2. When the system has equipment which specification values are lower than above mentioned vibration resistance specification values, the vibration resistance specification of the whole system is corresponding to the lower specification. |
147 m/s2, Action time: 11 ms, 3 times by half-sine pulse in each direction X, Y, and Z The criterion is shown in IEC61131-2. |
By noise simulator at noise voltage of 1000 Vp-p, noise width of 1 μs and period of 30 to 100 Hz |
500 V AC for one minute |
500 V AC for one minute |
500 V AC for one minute |
10 MΩ or higher by 500 V DC insulation resistance tester |
10 MΩ or higher by 500 V DC insulation resistance tester |
10 MΩ or higher by 500 V DC insulation resistance tester |
Class D grounding (grounding resistance: 100 Ω or less) (Common grounding with a heavy electrical system is not allowed) For grounding, refer to MELSEC iQ-F FX5S/FX5UJ/FX5U/FX5UC User's Manual (Hardware). |
Free from corrosive or flammable gas and excessive conductive dust |
0 to 2000 m The PLC cannot be used at a pressure higher than the atmospheric pressure to avoid damage. |
Inside a control panel The programmable controller is assumed to be installed in an environment equivalent to indoor. |
II or less This indicates the section of the power supply to which the equipment is assumed to be connected between the public electrical power distribution network and the machinery within premises. Category II applies to equipment for which electrical power is supplied from fixed facilities. The surge voltage withstand level for up to the rated voltage of 300 V is 2500 V. |
2 or less This index indicates the degree to which conductive material is generated in the environment in which the equipment is used. Pollution level 2 is when only non-conductive pollution occurs. Temporary conductivity caused by condensation must be expected occasionally. |


