功率器件 > 产品信息 > IPM/DIPIPM > Compact DIPIPM
Compact DIPIPM

确保了与传统小型DIPIPM相同的绝缘距离的封装

与小型DIPIPM相比,底面积大幅缩小,同时确保相同的绝缘距离。实现-40℃的低温工作,支持寒冷地区的使用,推动空调设备设计灵活性提升以及环境负担减少的功率半导体模块

特征

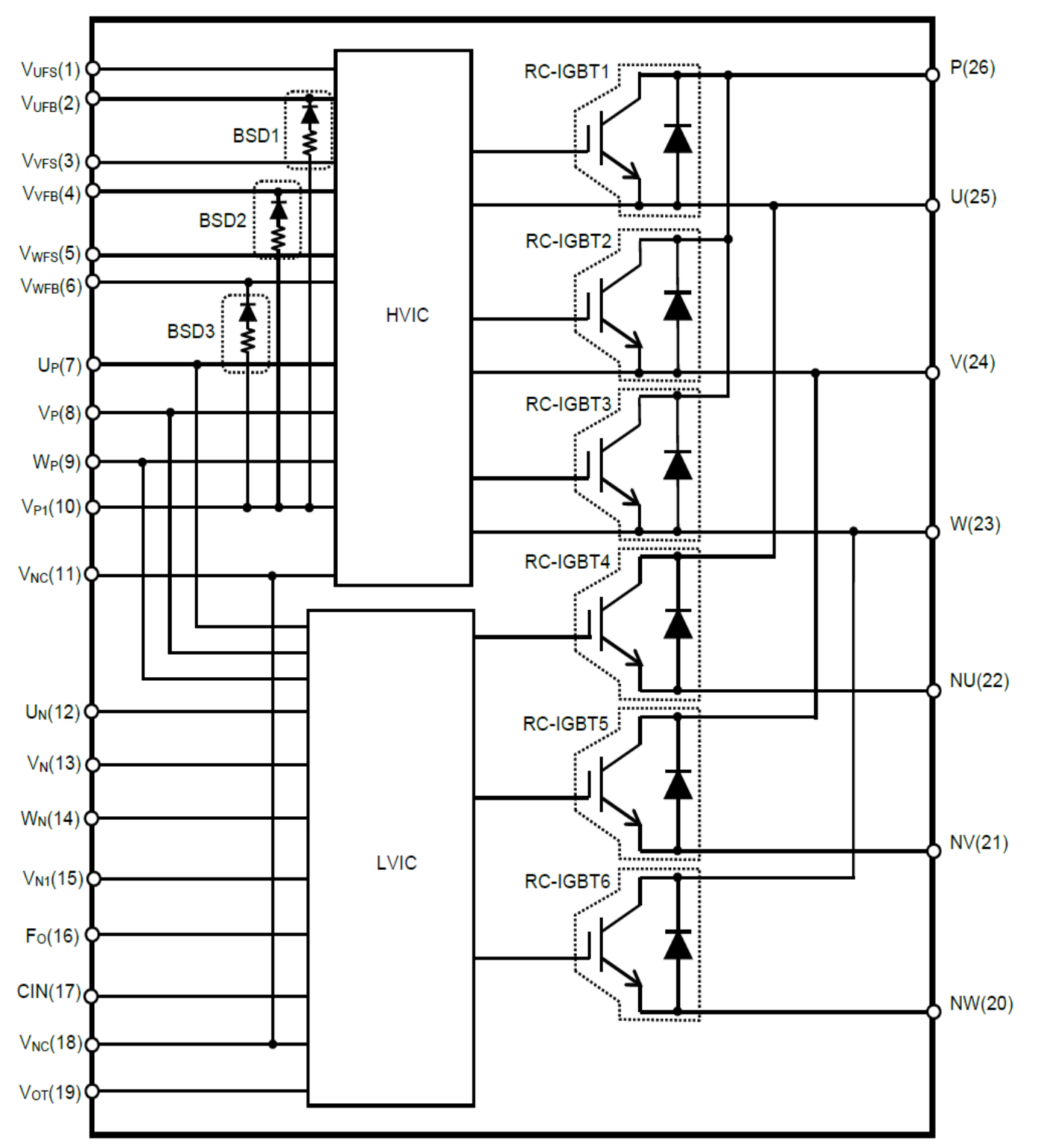
  • 由于配备RC-IGBT※1,底面积比小型DIPIPM系列减少约53%
  • 通过高热导绝缘板实现散热和绝缘的转移模塑结构
  • 实现比传统小型DIPIPM更小型化,从而节省逆变器电路板空间
  • 通过配备用于臂短路保护的联锁功能,实现逆变器电路板设计
  • 连续工作温度下限为 −40°C,适用于包括寒冷地区在内的广泛使用环境
  • ※1:Reverse Conducting IGBT
DIPIPM、SOPIPM、SLIMDIP、DIPIPM+、DIPPFC、CSTBT是三菱电机株式会社的商标。

主要用途

  • 家电
  • 运动控制
  • 风扇电机

阵容

VCES=600V

Featured Products

VCES=600V
系列Compact DIPIPM

小型DIPIPM Ver.7系列

额定电流 / 额定电压30A、50A/600V20A、30A、50A/600V
器件RC-IGBTIGBT+FWD
连续工作温度 Tjop- 40 ~ 150℃-30 ~ 150℃
壳温 Tc- 40 ~ 125℃-30 ~ 125℃
顶视照片
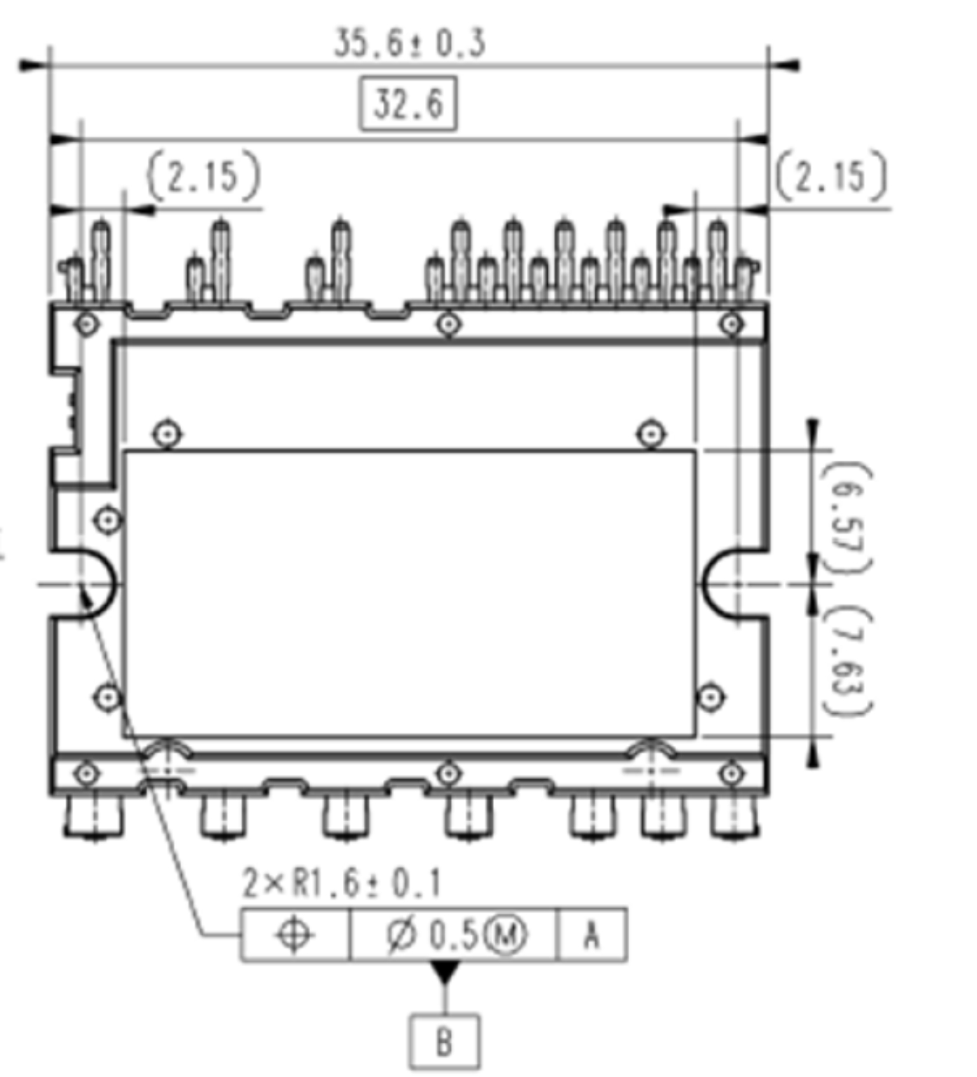
外形尺寸 (W x D x H)35.6 x 24.4 x 5.4mm52.5 x 31 x 5.6mm

文档

对应产品

超小型DIPIPM

小容量事实标准封装

小型DIPIPM

1200V通用封装

关联页面的链接

FAQ

以下为常见问题的回答。

评估电路板

为开发搭载DIPIPM的逆变器设备提供支持。