Compact DIPIPM

The package ensures insulation distance equivalent to conventional Mini DIPIPM.

This power semiconductor module significantly reduces the footprint compared to conventional Mini DIPIPM while maintaining equivalent insulation distance, supports operation at -40°C for cold climates, and contributes to greater design flexibility and reduced environmental impact in air conditioning systems.

Features

  • Reduced footprint by approximately 53% compared to conventional Mini DIPIPM series through RC-IGBT※1 integration
  • Transfer molded structure achieving heat dissipation and insulation with a high thermal conductivity insulating sheet
  • Achieves a smaller size than conventional Mini DIPIPM, enabling space savings on inverter boards.
  • Interlock function for arm short-circuit protection simplifies inverter substrate design
  • Supports continuous operation down to -40°C, enabling use in cold climates
  • ※1:Reverse Conducting IGBT
DIPIPM, SLIMDIP, DIPIPM+, SOPIPM, DIPPFC and CSTBT are trademarks of MITSUBISHI ELECTRIC CORPORATION.

Applications

  • Home Appliance
  • Motion control
  • Fan motor

Lineup

VCES=600V
IC (A)Type name
30
50

Featured Products

VCES=600V
SeriesCompact DIPIPM

小型DIPIPM Ver.7

Rating current/voltage30A、50A/600V20A、30A、50A/600V
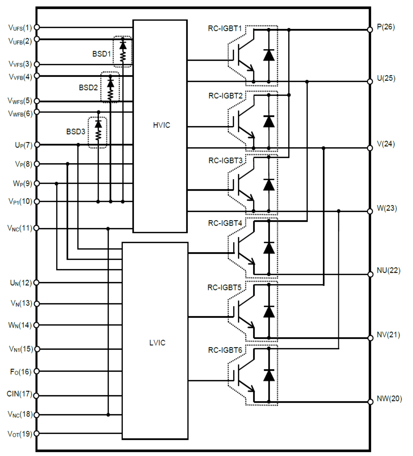
Built-in power chipsRC-IGBTIGBT+FWD
Tjob: Operation junction temperature- 40 ~ 150℃-30 ~ 150℃
Tc: Module case operaiting temperature- 40 ~ 125℃-30 ~ 125℃
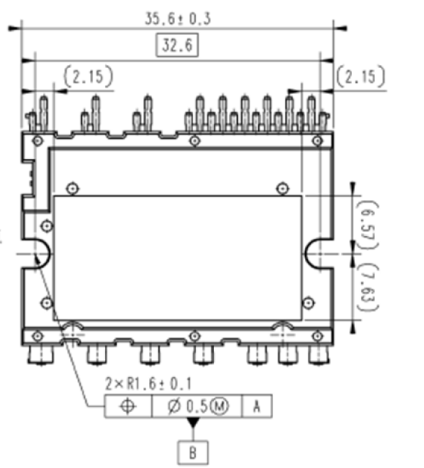
Top view of packages
Package size (W x D x H)35.6 x 24.4 x 5.4mm52.5 x 31 x 5.6mm

Documents

Corresponding Products

Super mini DIPIPM

Small-capacity de facto standard package

Mini DIPIPM

1200 V common package

Links to associated page

Simulation software

Simplified simulator for quick power-module calculations.

FAQ

Answers to frequently asked questions.

Evaluation boards

Supports development of inverter equipment utilizing DIPIPM.