PS21767

VCES: 600 V, ±IC: 30 A

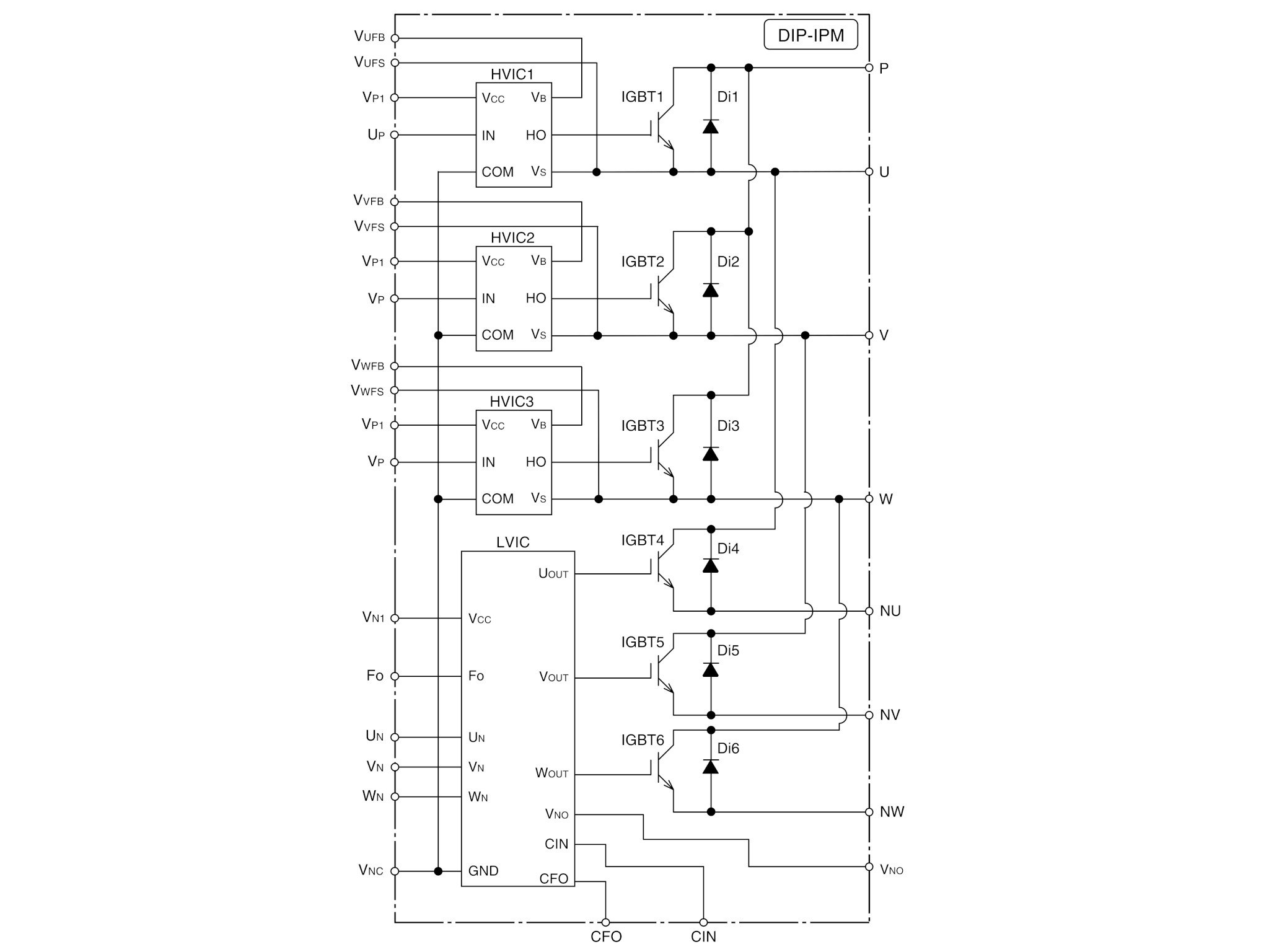
Transfer molded DIPIPM which integrates HVIC for small power inverter use

Features

  • For P-side : Drive circuit, High voltage high-speed level shifting, Control supply under-voltage (UV) protection
  • For N-side : Drive circuit, Control supply under-voltage protection (UV), Short circuit protection (SC) by detecting detecting voltage of external shunt resistor
  • Fault signaling : Corresponding to SC fault (N-side IGBT) and UV fault (N-side supply)
  • Input interface : 3, 5V line (High Active)
  • -
  • DIPIPM, SLIMDIP, DIPIPM+, SOPIPM, DIPPFC and CSTBT are trademarks of MITSUBISHI ELECTRIC CORPORATION.

Applications

  • Air conditioner
  • Cloth washer
  • Refrigerator
  • Dish washer
  • Fan
  • Pump

Specifications

Parameters Value Unit
VCES 600 V
±IC 30 A
Isolation voltage 2500 Vrms
Tj 150
Connection Three phase inverter with driver ICs
Package type Mini
Supply situation Not recommended for new designs
UL Recognition : UL1557 File E80276

Documents

Corresponding Products

Mini DIPIPM

1200 V common package
VCES=600V~1200V, IC=5A~50A

Super Mini DIPIPM

Small-capacity de facto standard package
VCES=600V, IC=5A~40A

Large DIPIPM

1200 V full-line up
VCES=600V~1200V, IC=5A~75A

IPM/DIPIPM

IPM (Intelligent Power Module) with a drive circuit, DIPIPM with a transfer molded exterior developed for small capacity inverter equipment such as home appliances.

Links to associated page

Power loss simulator

Simplified simulator to calculate power module losses and temperature rise.

FAQ

Answers to frequently asked questions.

Evaluation boards

Supports development of inverter equipment utilizing DIPIPM.